Внимание! Появились компании, которые используют наше название. Это мошенники! Обращайте внимание на расчетный счет нашей организации 40702810124750000119
Москва, ул. Свободы, д.1, корп.6, офис 1
пн-пт 9:00-19:00, сб-вс до обеда
8-800-300-38-12
Внимание! Появились компании, которые используют наше название. Это мошенники! Обращайте внимание на расчетный счет нашей организации 40702810124750000119
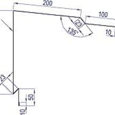
  • Планка примыкания ветровая ФЭ15

    В наличии Артикул: 22695
    72 человека интересовались данным товаром
    Тип покрытия:
    Без покрытия, С полимерным покрытием
    Материал:
    Оцинкованная сталь
    Цена за метр: 105 Руб.
    Длина:

    Итого: 105 Руб.
    • Характеристики
    • Описание
    • Оплата и доставка
    • Как купить?
    • Отзывы
    Тип покрытия:
    Без покрытия, С полимерным покрытием
    Материал:
    Оцинкованная сталь

    Назначение

    Планка примыкания ветровая ФЭ15 подходит для монтажа на участках примыкания к стенам и парапетам, где важна стабильная геометрия доборного элемента.

    Материал Оцинкованная сталь обеспечивает прочность и стойкость к коррозии, а тип покрытия С полимерным покрытием помогает подобрать исполнение под условия эксплуатации и внешний вид.

    Особенности и преимущества

    Элемент удобен для подгонки и монтажа по месту. Материал Оцинкованная сталь и тип покрытия С полимерным покрытием помогают подобрать вариант под требования проекта.

    • Удобна для монтажа по проектной схеме.
    • Уменьшает риск протечек и продувания в зоне сопряжения.
    • Стабильная геометрия упрощает монтаж и стыковку.
    • Подходит для комплектации кровельной системы доборными элементами.
    • Назначение элемента — герметизация и защита узла примыкания.
    • Входной контроль по маркировке снижает риск пересортицы.
    • Материал Оцинкованная сталь повышает стойкость к коррозии.

    Поставка и заказ

    Для серийных объектов удобно заранее закрепить тип покрытия С полимерным покрытием и комплектность доборных элементов. Это ускоряет отгрузку и монтаж.

    Планка примыкания ветровая ФЭ15 доступен к отгрузке со склада компании "Мой Металл" — оптовые и розничные поставки. Смету направляйте на zakaz+226923553@my-metal.ru, консультация по телефону 8-800-300-38-12.

    Мы предлагаем удобные способы оплаты, включая банковские карты и электронные переводы. Доставка осуществляется быстро и безопасно, с возможностью выбора подходящего способа в зависимости от вашего региона.

    Калькулятор доставки
    Вид авто
    Расстояние от МКАД, км: 0
    Стоимость доставки: 13 000 Руб.

    Для оформления покупки просто добавьте товар в корзину и следуйте простым инструкциям на сайте. Выберите удобный способ оплаты и доставки, и получите подтверждение на указанный вами контакт.

    У данного товара пока нет отзывов. Ваш отзыв может стать первым.

    Похожие товары в каталоге

    Просмотренные товары